SWASTIK VALVES AND PUMPS, A well established, reputed & well known Manufactures of Dairy Equipments and it’s Allied Products in India, since last 35 years. Swastik is today successfully voyaging through the Dairy Equipments of the India and Overseas.. A Leading manufacturer of sophisticated equipments for the Dairy Industry, Swastik has always built the best machinery with the latest technology and has never cut corners where quality is concerned.

+91 20 2469 0268
+91 9028716222
+91 9028716622

Products

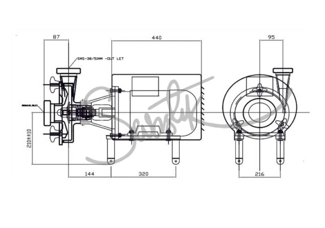
HIGH PRESSURE PUMP – SVP- 602 – 5HP

TECHNICAL DETAILS (5HP X 3PH)

Suction: 51 SMS (As Per Requirements)
Discharge: 51 SMS (As Per Requirements)
Connection Type: SMS Union / Tcl END/ Flange END
Product Wetted Parts MOC: AISI 316
Other Parts MOC: All Parts In SS 304
Seal Type: Single Mechanical Shaft Seal / Double Mechanical Shaft Seal
Seal Combination: TC/TC/V, SIC/SIC/V, SS/C/V
Impeller Type: Open Type (Dynamically Balanced)
Motor Make: Any Reputed
Motor Drive Detail: 5 HP (2900 Rpm) 3 Phase, Foot Cum Flange, Volt 415 V + 10%  Motor Insulation ‘f’ Class, Frequency 50 Hz, IP – 55
Pole: 2 Poles
Finish: Product Contact Surface Polished 180 Grit
Mounting: SS Leg With Adjustable Ball Feet With SS Shroud